
Wind Turbine Pitch Bearings
Pitch bearings, also known as blade bearings, are important components in modern wind turbines. They connect the rotor hub to the rotor blades, allowing for the necessary oscillation to control the turbine’s load and power output. The pitch system adjusts the blade’s aerodynamic angle to the wind, positioning the blades for optimal energy capture. It also plays a key role in emergency braking scenarios, where the pitch bearings are used to quickly adjust the blade angles to minimize wind resistance and stop the turbine safely.
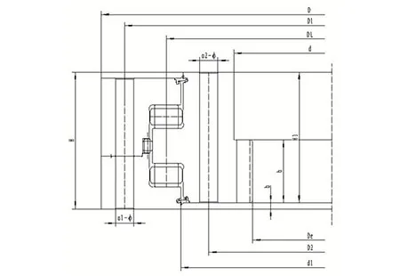
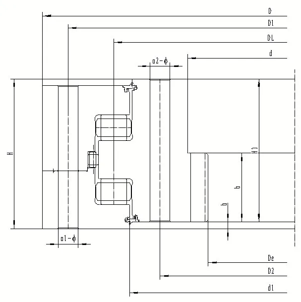
The three-row cylindrical roller pitch bearings are designed with an inner ring and an outer ring, containing two rows of rollers to handle axial forces and one row for radial forces. This configuration provides robust load-bearing capacity and high rigidity, which is essential for maintaining the balance of the turbine’s structure. Each of the three pitch bearings in a turbine operates independently, allowing for precise control and avoiding overloading the blades, ultimately enhancing the efficiency of power generation.
LYXQL has been a leader in the wind power industry, becoming the first company in China to produce and apply three-row roller pitch bearings for wind turbines. This achievement highlights our commitment to innovation and quality in providing reliable solutions for wind energy systems.
On June 5, 2024, we completed the installation of an 18MW semi-direct drive offshore wind turbine in Guangdong. This turbine features main, pitch and yaw bearings developed by LYXQL.






