
Wind Turbine Yaw Bearings
Installed within the yaw system at the base of a wind turbine, these bearings are responsible for supporting the entire weight of the main drive system. They are engineered to handle immense static and dynamic loads, including the overturning moments caused by wind forces, the turbine's own weight, and external impacts from harsh environmental conditions. Their performance is key to the efficiency and stability of the turbine, as well as its overall lifespan.
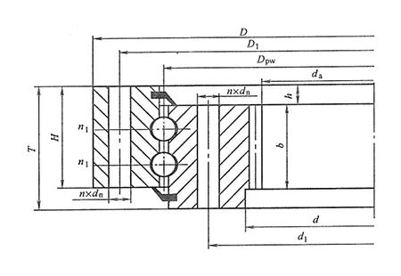
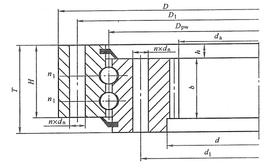
Typically, yaw bearings utilize single-row or double-row four-point contact ball bearings, with gear configurations available in either external or internal teeth. LYXQL offers a variety of yaw bearings designed for wind turbines with capacities ranging from 1.5MW to 25MW, ensuring they meet the specific needs of different turbine models and operational demands.




