
Wind Turbine Pitch Bearings
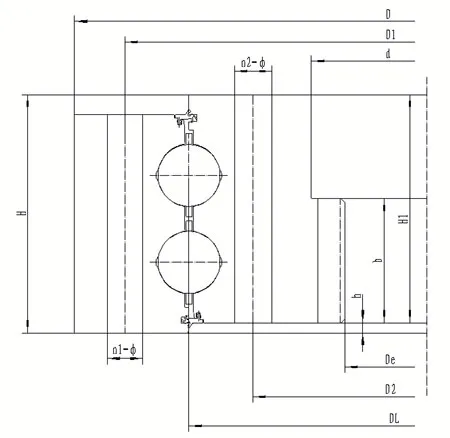
Double-row four-point contact ball bearings are designed to meet the demands of wind turbine pitch systems. Featuring two rows of steel balls guided by a four-point contact raceway, these bearings can simultaneously manage significant axial and radial loads. The four-point contact structure provides stable support within a defined angular range, making them particularly effective for continuous blade pitch adjustments. With models suitable for wind turbines ranging from 1.5MW to 20MW, these bearings are versatile and robust, ensuring reliable performance under the challenging conditions typical of wind turbine operations. LYXQL has successfully developed and supplied various types of pitch bearings to meet the diverse needs of the wind energy sector.
LYXQL has developed a variety of pitch bearings to meet the needs of different wind turbine models, reinforcing their position as a trusted supplier in the wind energy sector.
On June 5, 2024, we completed the installation of an 18MW semi-direct drive offshore wind turbine in Guangdong. This turbine features main, pitch and yaw bearings developed by LYXQL.






