
Double-Row Ball Slewing Bearings
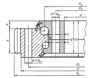
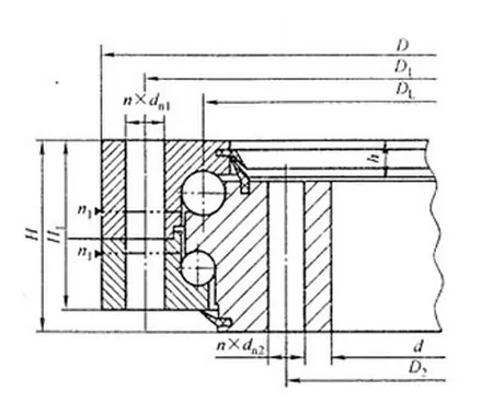
The double-row ball slewing bearing features a design with two rows of balls, where the rolling elements make point contact with the raceways. Each row of steel balls is responsible for bearing loads in the upper and lower directions, respectively. This configuration offers several advantages, including greater tolerance to installation inaccuracies and deformation of the mounting structure, making it a reliable choice even in challenging environments. The double-row design also enhances load distribution, improving overall stability and performance.
Typically, these bearings are made from 42CrMo4 steel with induction-hardened raceways, ensuring durability and long service life. However, materials can be customized based on specific application requirements and customer preferences.
At LYXQL, we have advanced manufacturing capabilities for producing Double-Row Ball Slewing Bearings. Currently, we can process bearings with a maximum outer diameter of 12 meters for integrated structures.
Additionally, we can handle a wide range of gear module sizes, with maximum module 45 and minimum module 4.
(We are capable of customizing non-standard products based on specific customer requirements.)
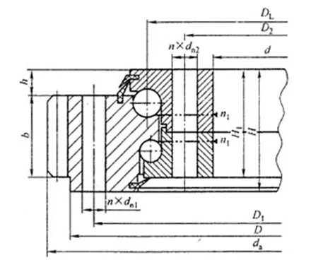
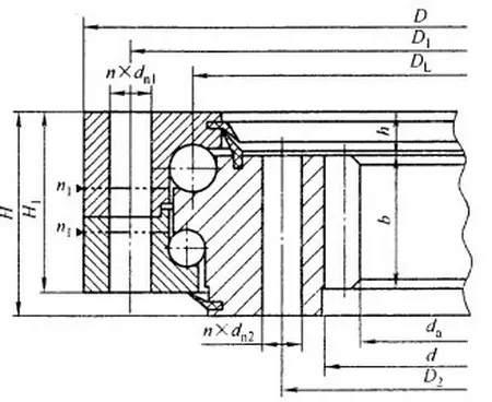
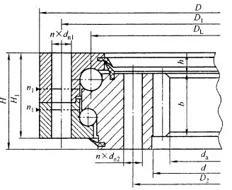
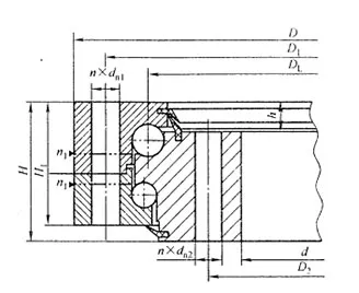
Double-row ball slewing bearings are available in three configurations: external gear, internal gear, and gearless designs. Each type includes essential components like inner and outer rings, steel balls, spacers (bearing cages), and seals. Depending on the application, additional protective features such as dust covers or ash shields can be added to enhance durability and performance, ensuring that the bearing meets the specific needs of your project.
Features gear teeth on the outer ring, making it ideal for applications where the gear mesh occurs externally. Due to the external positioning of the gear teeth, this design typically requires more installation space compared to an internal gear design, as the gears interact outside of the bearing structure. This configuration is well-suited for machinery where space constraints are less of a concern, and where the external gear arrangement can provide effective load distribution and ease of maintenance.
Features smooth inner and outer rings with no gear teeth. This gearless design is typically used in applications where there is no need for gear interaction, offering a simpler and more straightforward solution. It provides flexibility in design and can be an ideal choice for systems where the absence of gears helps to simplify the structure and reduce maintenance requirements.
Our products are widely utilized in wind turbines, marine equipment, tunnel boring machines, and construction machinery. Notably, our wind turbine products are well-known in the market, where we are recognized for offering turnkey solutions that cater to the unique needs of our clients.
Slewing bearing used in mobile crane
Slewing bearing used in onshore crane
Slewing bearing used in marine deck crane
What is a Double-Row Ball Slewing Bearing?
What are the main application areas for Double-Row Ball Slewing Bearings?
- Large construction machinery
- Port handling equipment
- Cranes
- Wind turbines
- Rotating bridge structures
They are suitable for any application requiring high load capacity and stability.
What key factors should be considered when selecting a slewing bearing?
- Load capacity
- Dimensional precision
- Rotational speed requirements
- Overall size and installation space
- Sealing and lubrication conditions
- Manufacturing quality and process reliability











